Fire Extinguisher Maintenance & Service
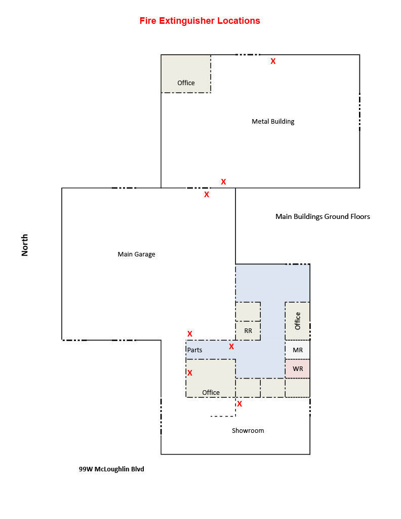
Fire Extinguishers are located throughout the facility.
Annual Maintenance (due in May of each year) has been performed by:
First Response
4970 SW Griffith Drive, Suite 100
Beaverton, Oregon
97005
503-641-6795
Web: www.firinc.com
Email: fre.ext@firinc.com
Contact is Aaron
Please see the map for these 14 locations.
- Main Showroom (1)
- Business Office (1)
- Parts Area (1)
- Main Service Area (2)
- Metal Building (2)
- Upstairs Kitchen (1)
- Upstairs Conference Room (1)
- North Showroom (1)
- North Building Main Garage (1)
- North Building Center Garage (1)
- Detail/Wash Facility (2)

